| View previous topic :: View next topic |
| Author |
Message |
alloy T56 Elitist

Joined: 25 Jan 2004 Posts: 1716 Location: Vancouver, WA
1987 Chevrolet Camaro IROC-Z
|
Posted: Thu Feb 24, 2011 6:02 pm Post subject: Fuel pump stays on after shutting the car off-89 TPI car |
|
|
On the 89 this happens every now and then. Kills the battery.
The 89 has the 3 wire oil pressure sender that can power the fuel pump after the ignition is off. The oil pressure sending unit is new last week. The other one I put on in Dec 2009 went bad and started spraying oil. Almost lost the engine over that one. 4 quarts of oil lost in 20 miles of driving.
Odd thing is, the pump stayed on with both the old and the new switch, and the relay has been replaced with a new one, and a used one off my car just in case the new one was sticking. It's not. Worked fine on my car.
I'm at a loss as to why it stays on like that. I'm seriously considering putting a relay in the fuel pump power line that turns on and off with the ignition. That would be better than a toggle switch. I'd much rather cure the problem than put a band aid on it.
Any ideas? _________________ Member of the "Elite T56 Club" , big brake club, and "burgundy" (not red or maroon) car owner.
www.t5cablespeedometer.com
www.t56cablespeedometer.com
Ronald Reagan: "Most of us wonder if our lives made any difference. Marines don't have that problem." |
|
| Back to top |
|
 |
Twilightoptics Hardcore (12sec Club)

Joined: 13 Jan 2004 Posts: 9191 Location: Auburn , WA
1987 Chevrolet Camaro IROC-Z
|
Posted: Thu Feb 24, 2011 6:42 pm Post subject: |
|
|
Had this happen with the first commander 950 I had. It was the commander itself commanding the fuel pump relay on. Was a bad ECM. I used a relay like you suggested and never had a problem again.
You need to get it to happen and back probe to see where the power is coming from.
Wiring schematics are your friend.
Start at the relay output to the pump. Is the relay being commanded on or stuck.
If on, move to the next component, etc. _________________ A redline a day keeps the carbon away! |
|
| Back to top |
|
 |
alloy T56 Elitist

Joined: 25 Jan 2004 Posts: 1716 Location: Vancouver, WA
1987 Chevrolet Camaro IROC-Z
|
Posted: Thu Feb 24, 2011 7:32 pm Post subject: |
|
|
The problem is I don't have the car full time and this happens every month or two. And I only have access to it maybe once a week. It's not the relay, and I really don't think two oil sending units in a row would be bad. And there are no codes from the ECM, and the car runs great.
I'm glad my relay idea isn't out in left field. I'm thinking a 30 amp standard relay would work just fine for this. _________________ Member of the "Elite T56 Club" , big brake club, and "burgundy" (not red or maroon) car owner.
www.t5cablespeedometer.com
www.t56cablespeedometer.com
Ronald Reagan: "Most of us wonder if our lives made any difference. Marines don't have that problem." |
|
| Back to top |
|
 |
Twilightoptics Hardcore (12sec Club)

Joined: 13 Jan 2004 Posts: 9191 Location: Auburn , WA
1987 Chevrolet Camaro IROC-Z
|
Posted: Thu Feb 24, 2011 9:56 pm Post subject: |
|
|
A 20 amp relay would be fine. You'd be using the new relay to turn the other relay on. Not power the pump directly. _________________ A redline a day keeps the carbon away! |
|
| Back to top |
|
 |
BluFbdy Member
Joined: 16 Jul 2010 Posts: 915 Location: Port Orchard WA
1989 Chevrolet Camaro RS
|
Posted: Fri Feb 25, 2011 12:32 am Post subject: |
|
|
new doesnt mean good... not sure on the tpi but i know my 89 tbi has the 3 wire switch by the filter, burned thru 3 from orieley before getting a good one, just a thought if the relay doesnt work out for you _________________ If you expect a kick to the balls and get a slap to the face its still a victory
 |
|
| Back to top |
|
 |
alloy T56 Elitist

Joined: 25 Jan 2004 Posts: 1716 Location: Vancouver, WA
1987 Chevrolet Camaro IROC-Z
|
Posted: Fri Feb 25, 2011 1:29 am Post subject: |
|
|
I think I'll try a switch from Napa before doing the relay mod. _________________ Member of the "Elite T56 Club" , big brake club, and "burgundy" (not red or maroon) car owner.
www.t5cablespeedometer.com
www.t56cablespeedometer.com
Ronald Reagan: "Most of us wonder if our lives made any difference. Marines don't have that problem." |
|
| Back to top |
|
 |
alloy T56 Elitist

Joined: 25 Jan 2004 Posts: 1716 Location: Vancouver, WA
1987 Chevrolet Camaro IROC-Z
|
Posted: Wed Mar 02, 2011 10:53 am Post subject: |
|
|
Well Napa was out of the switch, so got a standard ignition one from Baxter. If this doesn't work I'll go the relay route and be done with it. _________________ Member of the "Elite T56 Club" , big brake club, and "burgundy" (not red or maroon) car owner.
www.t5cablespeedometer.com
www.t56cablespeedometer.com
Ronald Reagan: "Most of us wonder if our lives made any difference. Marines don't have that problem." |
|
| Back to top |
|
 |
alloy T56 Elitist

Joined: 25 Jan 2004 Posts: 1716 Location: Vancouver, WA
1987 Chevrolet Camaro IROC-Z
|
Posted: Mon Mar 07, 2011 2:21 pm Post subject: |
|
|
Well the new sending unit didn't help. Did it again today. First thing I did was pull the relay, pump stayed on.
Next I pulled the connector off the sender and the pump quit. The car will run without the sender hooked up, but throws a code 54 fuel pump low voltage.
I was assuming that the sender was energizing the relay and keeping the pump on. Obviously this isn't the case. I'm having to rethink this now.
Any ideas??? _________________ Member of the "Elite T56 Club" , big brake club, and "burgundy" (not red or maroon) car owner.
www.t5cablespeedometer.com
www.t56cablespeedometer.com
Ronald Reagan: "Most of us wonder if our lives made any difference. Marines don't have that problem." |
|
| Back to top |
|
 |
Twilightoptics Hardcore (12sec Club)

Joined: 13 Jan 2004 Posts: 9191 Location: Auburn , WA
1987 Chevrolet Camaro IROC-Z
|
Posted: Mon Mar 07, 2011 3:56 pm Post subject: |
|
|
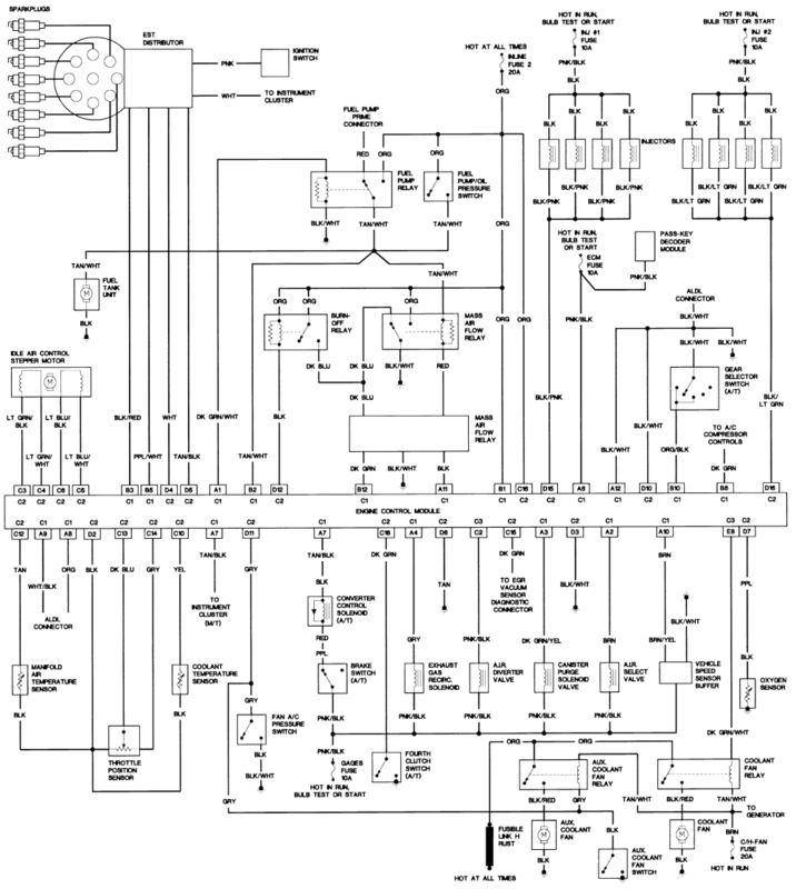
Post the wiring diagram. If the pump stays on with the relay unhooked, and you're sure it's the FP relay, then the wiring is shorted somewhere. IIRC the power lead for the FP goes from the relay to the pump I thought. And that the switch was tied into the relay trigger side.
Need wiring diag. _________________ A redline a day keeps the carbon away! |
|
| Back to top |
|
 |
Twilightoptics Hardcore (12sec Club)

Joined: 13 Jan 2004 Posts: 9191 Location: Auburn , WA
1987 Chevrolet Camaro IROC-Z
|
Posted: Mon Mar 07, 2011 4:36 pm Post subject: |
|
|
Bird or Maro? _________________ A redline a day keeps the carbon away! |
|
| Back to top |
|
 |
Twilightoptics Hardcore (12sec Club)

Joined: 13 Jan 2004 Posts: 9191 Location: Auburn , WA
1987 Chevrolet Camaro IROC-Z
|
Posted: Mon Mar 07, 2011 4:38 pm Post subject: |
|
|
89 tpI MARO _________________ A redline a day keeps the carbon away! |
|
| Back to top |
|
 |
Twilightoptics Hardcore (12sec Club)

Joined: 13 Jan 2004 Posts: 9191 Location: Auburn , WA
1987 Chevrolet Camaro IROC-Z
|
Posted: Mon Mar 07, 2011 4:40 pm Post subject: |
|
|
So if the FP relay is disconnected, the oil pressure switch is failed allowing power to run through it without oil pressure... Or for some strange reason the ECM monitor pin is supplying voltage. If you unplugged the switch then it died, then the problem is in the switch. _________________ A redline a day keeps the carbon away! |
|
| Back to top |
|
 |
alloy T56 Elitist

Joined: 25 Jan 2004 Posts: 1716 Location: Vancouver, WA
1987 Chevrolet Camaro IROC-Z
|
Posted: Mon Mar 07, 2011 7:49 pm Post subject: |
|
|
I definitely unplugged the FP relay. No question of that.
This time the sender I found out the car was only used one and apparently failed almost immediately. When I installed it the pump wasn't on, the next time the car was used the sender failed.
Tonight I traded in the schuck's switch for another one, and I'll take the baxter one back also. It just seems odd that they work for such a short time then fail.
The can has unusually high oil pressure, around 60 psi. I'm just wondering if that's the problem. I've never seen one fail and puke oil out like the other one. Again this leads me to think it might be a high oil pressure problem. I really have no idea why it has such high pressure, but not much I can do about it without pulling the pan. The engine looks like it's never been opened up either.
Here is another diagram I found.
 _________________ Member of the "Elite T56 Club" , big brake club, and "burgundy" (not red or maroon) car owner.
www.t5cablespeedometer.com
www.t56cablespeedometer.com
Ronald Reagan: "Most of us wonder if our lives made any difference. Marines don't have that problem." |
|
| Back to top |
|
 |
chevymad Master B
Joined: 11 Jan 2004 Posts: 5476
1987 Pontiac Formula
|
Posted: Mon Mar 07, 2011 7:59 pm Post subject: |
|
|
Could the pump be drawing too much amperage? The relay and the oil pressure switch are supposed to be sharing the load. Might it be possible that the pump is worn out and drawing enough to melt the oil pressure switch together? Relay is working too right?
These switches are well known for going bad and leaking. |
|
| Back to top |
|
 |
alloy T56 Elitist

Joined: 25 Jan 2004 Posts: 1716 Location: Vancouver, WA
1987 Chevrolet Camaro IROC-Z
|
Posted: Mon Mar 07, 2011 8:40 pm Post subject: |
|
|
The pump was new 12-2009. Doesn't mean it hasn't went bad though.
The car will run without the oil pressure sensor connected. Turn the car off with the sensor disconnected and just running on the relay and the pump shuts off. So the relay is working like it should.
Knowing the relay and the sensor share the load explains why I get code 54 with the sensor disconnected. _________________ Member of the "Elite T56 Club" , big brake club, and "burgundy" (not red or maroon) car owner.
www.t5cablespeedometer.com
www.t56cablespeedometer.com
Ronald Reagan: "Most of us wonder if our lives made any difference. Marines don't have that problem." |
|
| Back to top |
|
 |
|